ВБ-27.6.3
Характеристики изделия:
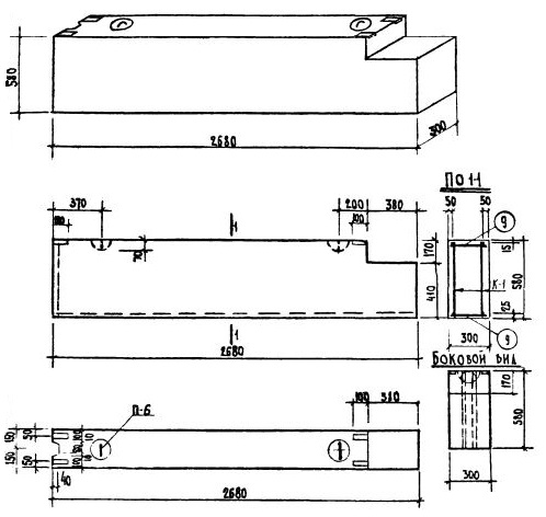
| Параметр | Значение |
|---|---|
| Длина | 2680 мм |
| Ширина | 300 мм |
| Высота | 580 мм |
| Масса | 800 кг |
| Нормативный документ | Серия 1.134-1 |
Цена:
Рассчитать стоимостьВБ-27.6.3 Блоки внутренних стен горизонтальные по Серии 1.134-1.
| Параметр | Значение |
|---|---|
| Длина | 2680 мм |
| Ширина | 300 мм |
| Высота | 580 мм |
| Масса | 800 кг |
| Нормативный документ | Серия 1.134-1 |
ВБ-27.6.3 Блоки внутренних стен горизонтальные по Серии 1.134-1.