НТ1-71.27.3-2бл
Характеристики изделия:
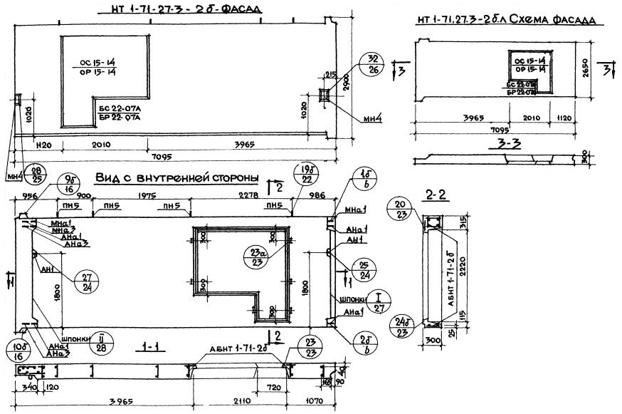
Параметр | Значение |
---|---|
Длина | 7095 мм |
Ширина | 300 мм |
Высота | 2650 мм |
Масса | 6750 кг |
Нормативный документ | Серия 1.132-1 |
Цена:
Рассчитать стоимостьНТ1-71.27.3-2бл Наружная стеновая панель торцевая по Серии 1.132-1.
Параметр | Значение |
---|---|
Длина | 7095 мм |
Ширина | 300 мм |
Высота | 2650 мм |
Масса | 6750 кг |
Нормативный документ | Серия 1.132-1 |
НТ1-71.27.3-2бл Наружная стеновая панель торцевая по Серии 1.132-1.