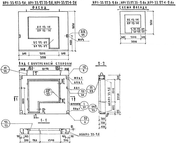
НР1-33.27.35-2бл

Чертеж изделия:
Чертеж НР1-33.27.35-2бл
Характеристики изделия:
ПараметрЗначение
Длина3290 мм
Ширина350 мм
Высота2650 мм
Масса2730 кг
Нормативный документСерия 1.132-1

НР1-33.27.35-2бл   Наружная стеновая панель рядовая по Серии 1.132-1.